电动自行车调速控制电路
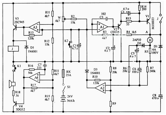
随着社会发展与科技进步,电动自行车作为便捷的环保型交通工具已越来越普及,本文为大家推荐一种简单而实用的电动自行车调速控制电路。电路如下图所示,电路中使用运算放大器LM324或四比较器LM339作功能控制,调速原理采用了调频式电压反馈稳速方案。当电机负荷加重时转速下降,A点的电压下降,经R4将此电压反馈给A1,使振荡频率增高,流经电机的平均电流增加,使电机速度上升从而达到稳速目的。调整W改变了A1的参考电压,实现了电机的调速。由V1、R1、C组成的激励控制电路可使V1工作在脉冲电流100A时仍能获得很低的饱和压降和陡峭的输出波形上下沿。D2、R5、A2等组成保护电路,对异常大电流或电瓶过放电情况均可断电保护。A2 接成施密特比较器,当异常大电流超过50A时A2 翻转,输出低电平,通过D3将A1 负输人、A3正输人拉到地电位,此时A1输出高电平V1关闭,V3输出低电平,继电器接点断开,停止向电机供电。为了对电瓶过放电情况进行保护,A2基准电压采用浮动方式供给,电瓶电压越低,基准电压也越低,对电机最大工作电流限制点越低,防止电瓶在欠电情况下的大电流放电。A3、J 组成调速、全速自动转换电路,A3 为比较器,当调速电位器W滑臂电压超过A1 基准电压时,A3 输出高电平,J吸合,短路 V1,调速电路停止工作,电路向电机提供最大的功率。A4、V4 等组成喇叭电路。K1 为喇叭按钮,K2 刹车微动开关,刹车同时,微动开关动作,A1 负输入,A3 正输人接到地,电路停止向电机供电。

- 刊登此文只为传递信息,并不表示赞同或者反对作者观点。
- 如果此内容给您造成了负面影响或者损失,本站不承担任何责任。
- 如果内容涉及版权问题,请及时与我们取得联系。
上一篇:自制45-870MHz调频接收机
下一篇:实用的无源可调恒流电子负载

文章评论